产品资讯_高精密滤油机,油品净化好帮手_产品资讯_新闻中心_新乡市风暴娱乐滤器股份有限公司_新乡市风暴娱乐滤器股份有限公司
新乡市风暴娱乐滤器股份有限公司
400-0089-277
企业新闻
专注环保 把握前沿动态
您的位置:主页 > 新闻中心 > 产品资讯 >

产品资讯

相关栏目:集团新闻 | 产品资讯 | 企业公告

高精密滤油机,油品净化好帮手

日期:2022-09-26 浏览:

01产品概述

随着液压工业的飞速发展,对液压系统工作的可靠性提出了更高要求,目前,液压系统中的故障有70%左右是由于油液的污染造成的。

为控制液压系统的污染程度,除了在液压系统中安装滤油器外,对于注入系统内的新油需用高精密滤油机进行预净化处理,同时也可对液压系统进行循环过滤,净化系统油液。

微信图片_20220926083254

性能优势

对脏油回收具有一定的效果;

能滤除油液中杂质,及吸附部分水分;

可与各类用油系统的油液作加注或定期净化过滤。

该滤油机有移动方便、操作简单、性能可靠,结构紧凑,外形美观、使用维修方便等特点,能连续不断的进行油液净化,将油中的污染颗粒和水分去除,过滤精度可达NAS1638-3级。

微信图片_20220926083303

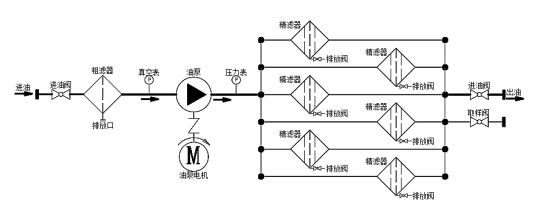
02设备工作原理

采用纯物理过滤方式对油液进行净化处理,通过滤芯吸附拦截油液中的机械杂质和金属粉末等有害颗粒物质,提高油液的清洁度,延长设备的使用寿命。

其工作原理为:待净化油液经粗过滤器过滤后经油泵进入精密过滤器,最后洁净油从出油口排出,完成整个过滤过程。  

03设备参数

公称流量:3-30L/min

工作压力:≤1.0MPa

电机功率:0.2-0.75KW

工作噪声:≤75dB(A)

过滤精度:1µm

吸程:5M

扬程:15M

供电电源:三相/四线AC 380V  50HZ

微信图片_20220926083313

04使用与保养技巧

✦  滤油机启动时确认油泵转向后,才能正常工作。

✦  使用一段时间后,因粗滤芯堵塞造成油泵噪音增加,应及时清洗粗滤芯。

✦  精滤芯在使用一段时间后,因污染物堵塞引起压力达到0.6Mpa时,应及时更换。

✦  滤油机正常运行,但出油口不出油,应检查油泵转向是否正确,油箱至油泵吸口密封是否可靠,吸油口是否离开油面或油液已吸完。

✦  滤油机流量减少时,应检查粗、精滤芯是否堵塞严重,油泵轴封是否磨损或因反转而造成吹出、吸入空气。

微信图片_20220926083316

新闻中心
  • 集团新闻
  • 行业资讯
  • 专题报道
  • 企业周报刊
  • 产品资讯
  • 企业公告

最新动态

Recent News

  • 第十二届“传承”企业文化——风暴娱乐优秀合伙人内蒙古后花园自驾游25-09-04
  • 风暴娱乐与您相约新疆CACPE2025博览会25-08-22
  • 日本之旅 丨风暴娱乐五年陈合伙人开启度假模式25-07-22
  • 以奋斗之名,赴荣耀之约 | 2025年风暴娱乐优秀合伙人威海之旅25-07-22
  • 2025年风暴娱乐新入职合伙人封闭拓训圆满举办25-06-23

上一篇:移动式滤油机的性能特点!
下一篇:多介质过滤器填装滤料操作步骤
返回列表

在线
咨询

客服热线400-0089-277

AI-icon